煤粉取樣器【不銹鋼煤粉取樣器】【http://www.damaiwang.cc/news_list.asp?id=18】【鍋爐煤粉取樣器】【煤粉取樣器廠家】【煤粉取樣器型號】【煤粉取樣器安裝】【沈陽煤粉取樣器】【福州煤粉取樣器】【蘭州煤粉取樣器】【貴陽煤粉取樣器】【浙江煤粉取樣器】




一、 固定式螺旋煤粉取樣器概述
固定式螺旋煤粉取樣器,用于制粉系統一次風煤粉管道上定期煤粉取樣。由于磨煤機碾磨件的磨損、煤種、塊度的變化,煤粉的細度將產生較大的變化,并直接影響鍋爐燃燒的效率,因此必須定期對煤粉細度取樣檢測。當煤粉細度超過設計值時及時調整分離器拆向門開度,或調整及更換磨煤機碾磨件是十分必要的。
該煤粉取樣器設計采用螺旋輸送原理,當煤粉沉落在取樣嘴中,利用外部的手柄或電動執行機構旋轉螺旋輸送器,煤粉將通過取樣管送到落粉管進入取樣瓶中。
該煤粉取樣器具有手動及電動兩種操作方式,手動操作,外部備有手柄,取樣時只要操作人員搖動手柄即可取樣。電動操作,在外部備有電動執行機構,并備有手動機構,有定時、點操、手動三種功能。不堵粉,取樣快,密封好等特點。
二、 固定式螺旋煤粉取樣器結構形式
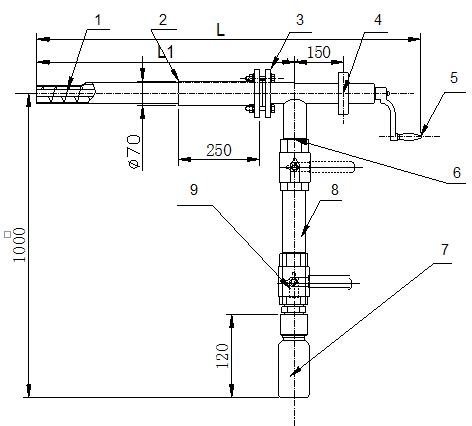
1、 螺旋輸送器—插入煤粉管道中,取樣嘴背著煤粉氣流方向,煤粉沉落在取樣嘴中,由螺旋輸送器經取樣管送入取樣瓶中。
2、 安裝連接管道—焊接在煤粉管道上,以便取樣管從這里插入煤粉管道中。
3、 連接法蘭—取樣管從連接法蘭插入煤粉管道,并與安裝連接管連接固定密封。
4、 組裝密封法蘭—用于轉動機構的組裝和密封。
5、 手柄—取樣時搖動手柄旋轉螺旋輸送器,將煤粉輸送入取樣瓶。
6、 煤粉沉落管—煤粉經螺旋輸送器、煤樣進入該管中。
7、 球閥—密封和取樣時用。
8、 取樣瓶—取出的煤粉集中存放,供標定之用。
三、固定式螺旋煤粉取樣器工作原理
固定式螺旋煤粉取樣器,是利用煤粉撞擊和自然沉落在取樣嘴中后,經螺旋輸送器輸送出煤粉管道并落入取樣瓶中的原理設計而成的一種固定式煤粉取樣器。
取樣嘴固定安裝在煤粉管道中,取樣嘴背對著煤粉氣流運行方向,煤粉在管道中被熱風攜帶著呈不規則的狀態運行,經取樣嘴的撞擊和自行的沉落,使取樣嘴中聚集很多煤粉,再由取樣管中的螺旋輸送器,輸送落入煤粉沉落管中,取樣結束后,操作閥門將煤粉放落到取樣瓶中即可。
四、固定式螺旋煤粉取樣器操作程序
取樣前所有閥門為關閉狀態,取樣時,打開閥門⑥,搖動手柄旋轉螺旋輸送器,煤粉即通過取樣管源源不斷的落入煤粉沉落管中,煤粉數量達到要求時,停止搖動手柄,關閉閥門⑥,打開閥門⑨,將沉落管中的煤粉放入取樣瓶中,關閉閥門⑨,擰下取樣瓶取出煤粉作為化驗之用,取樣瓶放回原處
五、固定式螺旋煤粉取樣器安裝事項
安裝時,根據煤粉管道直徑,將安裝連接管焊接在煤粉管道上,插入取樣管,要保證取樣嘴在煤粉管道中心距離,并背對著煤粉氣流運行方向,將連接法蘭連接好并密封即可。
六、固定式螺旋煤粉取樣器附簡圖:
1、取樣嘴2、安裝連接管3、連接法蘭4、組裝密封法蘭5、手柄6、9、球閥7、取樣瓶8、煤粉沉落管。